91免费网址在线观看,91免费版看片,91免费观看色片,91免费视频网页版


深圳市91免费网址在线观看标准光源有限公司

TILO 经典传承,源自1998

111仪器信息网

全国统一客服热线:

400-888-5135
当前位置:主页>新闻中心>行业资讯

91免费版看片校准规范 《JJF(纺织)055—2023》最新版

文章出处:www.qingdaoweisidun.com 人气:6884发表时间:2024-08-05

91免费版看片校准规范 《JJF(纺织)055—2023

 

1 范围

适用于目测评定纺织品色牢度用的91免费版看片及类似的91免费版看片

 

2 计量特性

① 相关色温:各光源的相关色温标称值和允许误差见表2。

② 相关色温不均匀率:<20%(评级工作台标记框内)

③ D65光源光照度:>6001x

④光照度不均匀率:<20%(评级工作台标记框内)

 

91免费版看片校准规范 《JJF(纺织)055—2023》 3


3 校准条件

① 环境条件

★ 环境:无外界光源照射光源箱(即在黑房内)。

★ 温度:室温;相对湿度:<85%。

★ 光源箱额定电压:满足市电220 V要求,最大允许误差为额定值的±10%。

② 测量标准

测量标准见表3。

 

 91免费版看片校准规范 《JJF(纺织)055—2023》4

 

4 校准前检查

① 基本要求检查

★ 在适当部位应有铭牌,铭牌上须标明型号、规格、制造厂、出厂编号和出厂年月。

★ 应放置平稳,周围环境清洁,无腐蚀性介质,无直射光和强烈光源直接辐射。

★ 箱体内应清洁,无杂物;各面应平整、无疤痕,不得有明显的锈斑和油漆脱落现象;光源箱内壁(底色)环境色为蒙赛无光中性灰N5(相当于GB 250评定变色用灰色样卡1~2级)。

★ 顶部安装的灯具应牢固可靠;反光罩不得有明显的变形,反光面上不得有积尘和锈蚀现象。

② 安全保护性能检查

光源箱的电气设备应安全可靠,电源线及接插件无断裂破损现象。接地线与箱体接触可靠。

③ 基本功能检查

★  光源箱控制面板上的指示符号应清晰醒目,电器控制按钮完整可靠、灵活和可靠;各光源根据配置分别检查各光源工作状况,灯管发光正常,无明显的闪烁现象。

★  光源箱光源配备的使用时间累加计时器功能正常。

 

5 校准项目

91免费版看片校准项目对应本规范计量特性条款和校准方法条款见表4。

 

 91免费版看片校准规范 《JJF(纺织)055—2023  5

 

6 校准方法

① 选点

在评级工作台内均匀选择9个测量点,除中点外其余各点距边线约10cm。

② 测量

光源开启预热15min后开始测量,将照度计和色温表探头分别置于各测量点,探头平放在光源箱工作台面上,探头测试面向上,逐一测量各点的光照度和相关色温。

③ 读数

读数时,待照度计和色温表显示的数字稳定后才读取,每个测量点重复测量三次。

 

7 校准结果

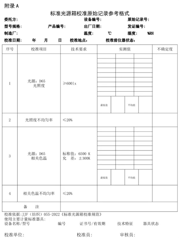
① 校准记录

校准记录应详尽记录测量数据和计算结果。推荐的校准记录格式如下:

 

 91免费版看片校准规范 《JJF(纺织)055—2023 6

 

② 校准证书

经校准的91免费版看片应出具校准证书,校准结果应在校准证书上反映。校准证书包括的信息应符合JJF 1071-2010中5.12的要求,推荐的校准证书内页格式如下:

 

 91免费版看片校准规范 《JJF(纺织)055—2023 7

 

③ 不确定性

校准证书应给出各校准项目测量结果的扩展不确定度

 

8 复校时间间隔

在定期进行期间核查的条件下,建议复校时间间隔一般不超过1年。

注:由于复校时间间隔的长短是由仪器的使用情况、使用者,仪器本身质量等诸因素所决定的,因此,送校单位可根据实际使用情况自主决定复校时间间隔。

 

 


同类文章排行

最新资讯文章

QQ咨询

在线咨询真诚为您提供专业解答服务

咨询热线

400-888-5135
7*24小时服务热线

返回顶部
网站地图